logo
Deko Corporation 86-29-81870126-813 xakmtools@vip.163.com
90 Degree Stainless Steel Flat Edge Square Measuring Tools

90 grados de acero inoxidable de borde plano cuadrado herramientas de medición

  • Resaltar

    Herramientas de medición de 90 grados cuadrados

    ,

    Acero inoxidable cuadrado de borde plano

  • Garantía
    Un año
  • Material
    acero inoxidable
  • Objeto de medición
    Ángulo
  • Tamaño
    Las demás:
  • Place of Origin
    Shaanxi, China
  • Nombre de la marca
    KM
  • Certificación
    ISO DIN GB RoHS
  • Model Number
    KM-BEF40
  • Packaging Details
    Paper Box 10*7*3cm/Piece 0.50kg/Piece
  • Delivery Time
    Within 15days
  • Condiciones de pago
    T/T, L/C, D/P, D/A, Western Union, PayPal, Moneygram
  • Supply Ability
    50000pieces/Month

90 grados de acero inoxidable de borde plano cuadrado herramientas de medición

90 grados de acero inoxidable de borde plano cuadrado herramientas de medición
Resumen del producto

Cuadrado de borde biselado de precisión de 90 ° para verificar la cuadratura de las piezas mecanizadas, los trabajos de diseño y las tareas de medición de precisión.

Características clave
  • Norma de precisión DIN 875 de grado 0
  • Margen biselado para mediciones internas
  • Construcciones de acero inoxidable endurecido
  • Las especificaciones personalizadas disponibles
  • Incluye caja protectora
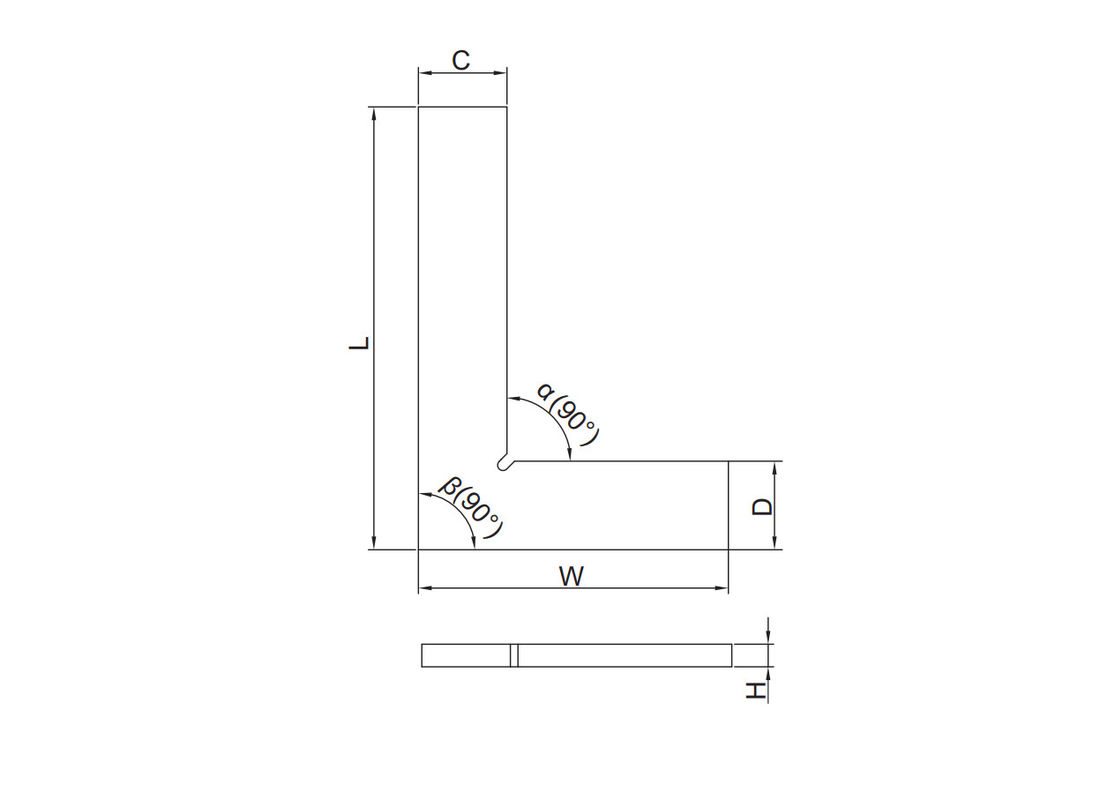
Especificaciones técnicas
Orden No. Rango de acción Cuadrado (dentro de α) Cuadratura (exterior β) C (mm) D (mm) H (mm)
Se aplicará el procedimiento siguiente: Las demás: 6 μm 6 μm 14 14 4
Se aplicará el procedimiento siguiente: de una longitud igual o superior a 75x50 mm 6 μm 7 μm 15 15 4.5
Se aplicará el procedimiento siguiente: Las demás: 7 μm 7 μm 20 20 5.5
Se aplicará el procedimiento siguiente: Las demás: 7 μm 8 μm 25 25 6
Se aplicará el procedimiento siguiente: 200x130 mm 8 μm 9 μm 30 30 7
Se aplicará el procedimiento siguiente: El tamaño de la lámina es: 9 μm 10 μm 35 35 7
Se aplicará el procedimiento siguiente: Las demás: 10 μm 11 μm 40 40 8
Guías de uso
  • Mantener la presión constante durante las mediciones para garantizar la precisión
  • Manejar con cuidado para evitar daños por impactos o curva
  • Seleccione el tamaño adecuado para sus requisitos de medición
  • Limpiar y secar después de cada uso para mantener la precisión
Aplicaciones

Herramienta esencial para maquinistas, ingenieros y profesionales del control de calidad en aplicaciones industriales y de ingeniería que requieren una verificación precisa de la cuadratura.

Información sobre la empresa
Sobre la Corporación Deko

Fabricante especializado en herramientas de medición de precisión de marca KM en China, que ofrece líneas de productos completas que incluyen indicadores de dial, micrómetros, pinzas y más.

Condiciones comerciales
  • Las condiciones comerciales: FOB, CFR, CIF, EXW
  • Métodos de pago: T/T, L/C, D/A, D/P, PayPal, Western Union
  • Personalización: servicios OEM disponibles
  • Garantía: 1 año de cobertura integral
Clasificaciones y revisión

Calificación general

5.0
Based on 50 reviews for this supplier

Imagen de calificación

La siguiente es la distribución de todas las calificaciones
5 estrellas
100%
4 estrellas
0%
3 estrellas
0%
2 estrellas
0%
1 estrellas
0%

Todas las reseñas

J
J*
Canada Mar 15.2026
NC35 rotary shouldered connection gauge is super accurate, it perfectly matches the petroleum industry’s high requirements!!
Z
Z
Peru Mar 5.2026
These thread gauges work smoothly with no stuck, accurate judgment for qualified and unqualified threads.I like it and it's worth recommending!!